![]() | Defro kompakt sarki üvegű kandallóbetét. Masszív acélszerkezetű modell, forgatható öntöttvas nyakkal. A kiváló minőségű kivitel garantálja a kandallóbetét hosszú élettartamát. |
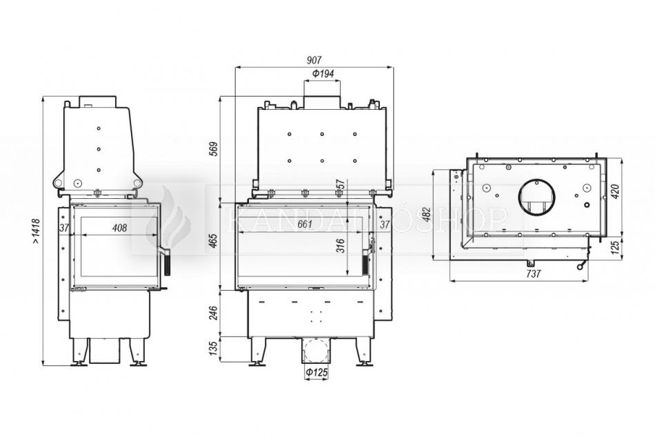
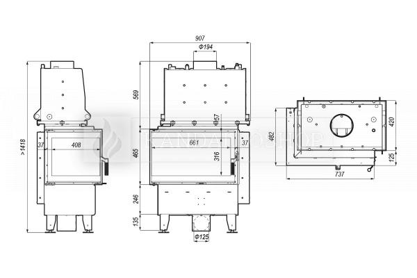
Defro Home RIVA SM BL SHORT - vízteres acél sarki kandallóbetét
A DEFRO hagyományai egészen 1973-ig nyúlnak vissza - ma Lengyelország legnagyobb kazángyártója, és Európa számos más országában is kiemelkedő helyet foglal el. A vállalat összesen kb. 40 000 kazánt gyárt évente, ami napi 200 kazánt jelent. A vezető pozíció, amihez az évek során hozzájutottak, még inkább motiválja őket a cég dinamikus fejlesztésére. A DEFRO kutatólaboratóriuma az egyik legforradalmibb Lengyelországban. A laboratórium a kazánfejlesztési folyamat minden szakaszában a tesztelésre összpontosít, hogy legmagasabb minőséget biztosítsa a gyártás során. A kutatási eredményeket különböző tesztekkel erősítik meg, és ezt a folyamatot addig ismétlik, amíg az optimális, elvárt eredményt el nem érik. A modern gyártóüzem összterülete több mint 30 000 m2.
A DEFRO körülbelül 630 embert foglalkoztat, és közvetlenül több mint ezer forgalmazóval és kétezer szerelővel működik
együtt. Az alkalmazottak között találkozhatunk tapasztalt mérnökökkel, hegesztőkkel, professzionális adminisztratív személyzettel, vezetőkkel és műszaki tanácsadók széles körével. 2017-ben a DEFRO ismét felkerült az Országos Munkafelügyelet Arany Munkáltatói c. listára, és elnyerte a legbiztonságosabb munkavégzést biztosító cégnek járó címet. A vállalatot 1973-ban alapították, ekkor még elsősorban a kazángyártásra összpontosítottak. A DEFRO azonban folyamatosan fejleszti gépeit és a gyártási folyamatot, mára pedig már ott tartanak, hogy saját fejlesztési részleggel rendelkeznek, amelynek köszönhetően lehetséges az összetettebb projektek megvalósítása is – az elképzeléstől kezdve a megvalósításig. A vállalat a legfőbb hangsúlyt az ügyfelek elégedettségére fekteti - azonbelül a tanácsadásra és a garancia bebiztosítására. A szervizközpont gyorsasága és hatékonysága lehetővé teszi az ügyfelek minden igényének kielégítését.
A Defro Home termékcsalád a legmagasabb minőségi és biztonsági osztályba tartozó eszközök. A modern fűtőberendezések a legigényesebb ügyfelek elvárásainak is megfelelnek. A készülékek nemcsak dizájnos bútorok, hanem mindenekelőtt nagyszerű hőforrások, melyek sosem okoznak csalódást. A DEFRO által forgalmazott termékekhez tartoznak a légfűtéses és vízteres sík vagy sarok kandallóbetétek, önálló kályhák és pelletkályhák. Ez a széles termékválaszték lehetővé teszi, hogy minden vásárló egyéni igényeinek megfeleljen. A legigényesebbek számára a vállalat innovatív, vízhűtéses kandallóbetéteket tervezett. A vízköpeny technológia lehetővé teszi a ház fűtéséért felelős más eszközökhöz, pl. kazánhoz, hőszivattyúhoz vagy napelemes rendszerhez való csatlakoztatást. A vízköpenyes kandalló ideális megoldás azon felhasználók számára, akik nem szeretnének túlzóan nagy költségeket vállalni.A vásárlók megnövekedett érdeklődésének hatására a vállalat ma már pelletkályhákat is gyárt. Előnyük a felhasználó időmegtakarítása és könnyű kezelhetőségük. A légfűtéses kandallóbetétek különböző formájú és kivitelezésű ikonikus eszközök. Az egyedi dekoratív keret, a fogantyú színe és a kerámia kiválasztása révén a készülék ideálisan illeszkedik bármilyen beltérbe.
A DEFRO HOME RIVA sorozat kandallóbetétjeit intenzív tüzeléshez igazították. A bennük alkalmazott vízköpeny-technológia a kandalló által átadott hőt vízmelegítésre használja fel, és átirányítja azt a központi fűtésben való felhasználásra. A kandalló szezonális használatának köszönhetően a DEFRO HOME RIVA kandallóbetétek más hőforrásokkal, például kazánnal, kályhával, vízmelegítővel, napelemes rendszerrel, hőszivattyúval működnek együtt. Ezért a DEFRO HOME Riva sorozat gazdaságos és környezetbarát, nagy hatékonyságú modellekkel rendelkezik.
Tulajdonságok:
mérete miatt kisebb helyeken is elfér
tartós és kiváló minőségű acélszerkezet
forgatható öntöttvas nyak
sötétített hatású modern üveg
testreszabható méretű lábak (0-100 mm-ig)
kiváló minőségű formatervezés
felső füstgázkivezetés
füstcső átmérője: 200 mm
energiahatékonyság: 88 %
teljesítmény: 16 kw

VÁLASZTHATÓ FELSZERELÉS A KANDALLÓBETÉTHEZ
Fekete ceramiton

A standard ceramiton (bal oldalt) mellett választhatjuk annak fekete változatát.
Fekete kilincs

Ha még különlegesebb hatást szeretnénk elérni, akkor bátran választhatunk fekete kilincset is.
Kilincs a másik oldalon

A Defro kandallóbetétjeinél lehetőségünk nyílik a kilincs másik oldalra helyezésére.
Defro Home sarki szellőzőrácsok

Ehhez a kandallóbetéthez elérhető felső és/vagy alsó sarki szellőzőrács.
Keretek
A kandallóbetétek modern, dekoratív acélkeretei lehetővé teszik, hogy a kandallóbetét és a kandallóbetét ajtaja közötti rész is dizájnos legyen. A keret fő előnye a gyors és egyszerű felszerelhetőség. A keretet speciális szerszámok nélkül, saját maga is összeszerelheti. A dekoratív keretet a kandallókályhával azonos színű, hőálló festékkel festették le, így tökéletesen illeszkedik a beltérbe, és nemcsak esztétikus, hanem rendkívül ízléses is.

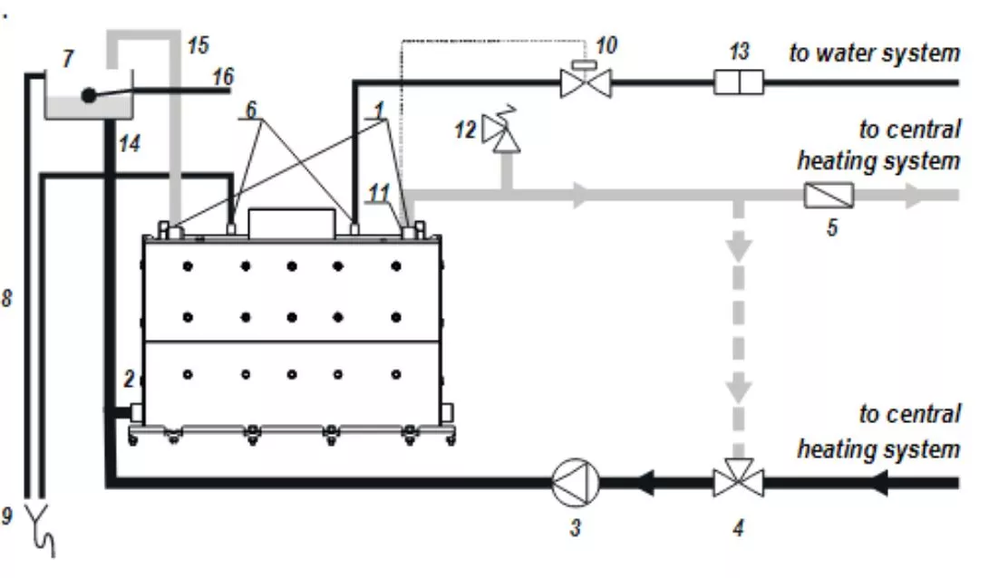
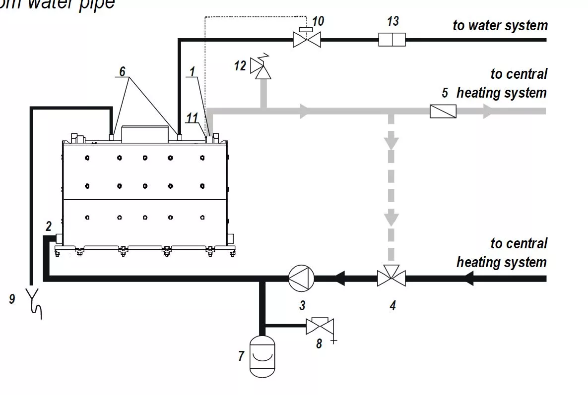
Útmutató a Riva termékcsalád központi fűtéshez való csatlakoztatásához
A DEFRO HOME RIVA kandallóbetét olyan vízrendszerrel van felszerelve, amely lehetővé teszi a központi fűtési rendszerben való üzemeltetést. A vízrendszer védő hőcserélővel (utóhűtő tekercs) van felszerelve, így nyitott és zárt rendszerekbe is beépíthető.
A kandallóbetét beszerelése előtt végezzen próbát a vízrendszer központi fűtéshez való csatlakoztatásáról, majd vizsgálja meg a rendszerben lévő üzemi nyomást a szivárgás ellenőrzése érdekében. A kandallóbetétet akkor lehet beszerelni, ha a vízrendszerek szivárgásának lehetőségét kizárták.
A DEFRO HOME RIVA kandallóbetét vízrendszere két előtét- és két visszavezető kivezetéssel van felszerelve, így a központi fűtési rendszerhez való csatlakozási pontok szabadon kiválaszthatók. A vízrendszer helyes és hatékony működése érdekében a központi fűtési rendszer csatlakozási pontjainak keresztezett elrendezésben kell lenniük.
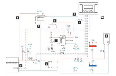
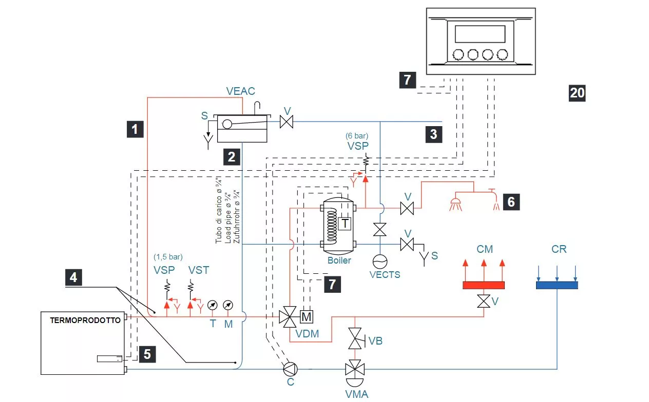
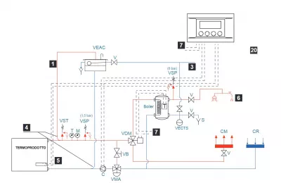
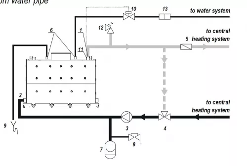
1. ábra:
1 - melegvíz-kimenet, 2 - hidegvíz-bemenet, 3 - keringető szivattyú, 4 - háromutas termosztatikus keverőszelep, 5 - egyirányú csappantyú, 6 - cserélő védőaljzat, 7 - tágulási tartály úszóval, 8 - csővezetékek, 9 - vízelvezető rendszer, 10 - hőelvezetés elleni védelem, 11 - termosztatikus szelep érzékelő, 12 - nyomáscsökkentő szelep, 13 - szűrő, 14 - tágulási cső, 15 - biztonsági cső, 16 - vízellátó cső.
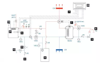
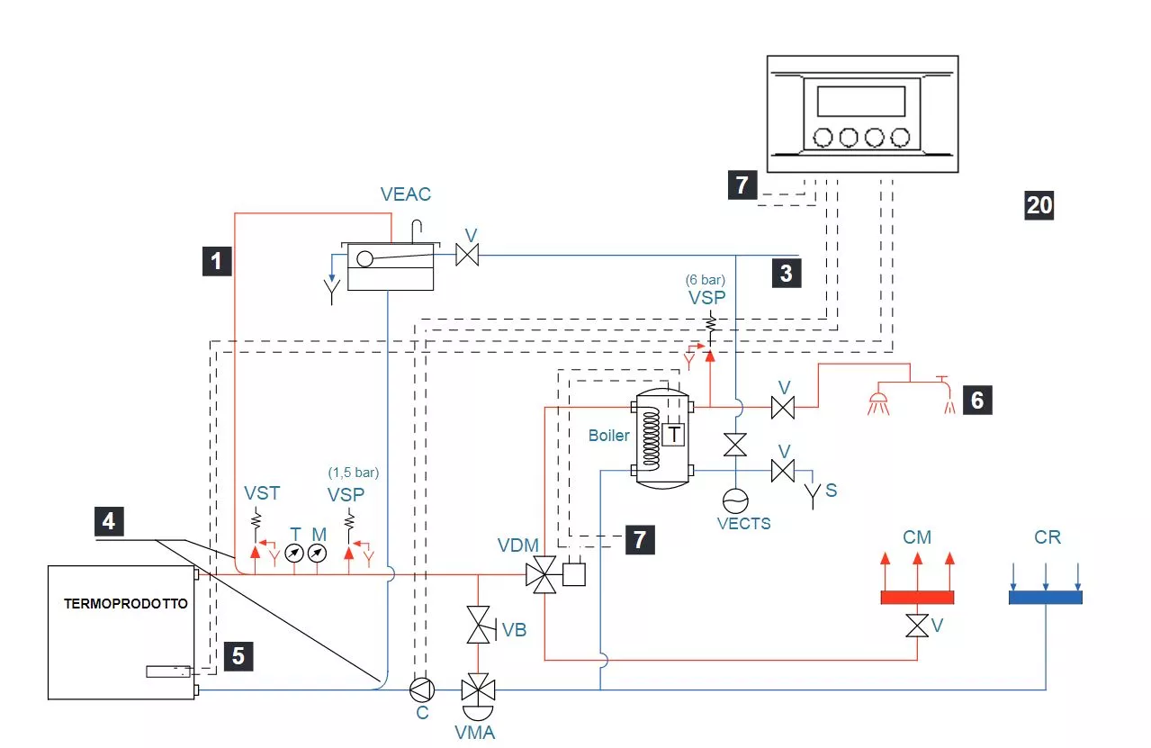
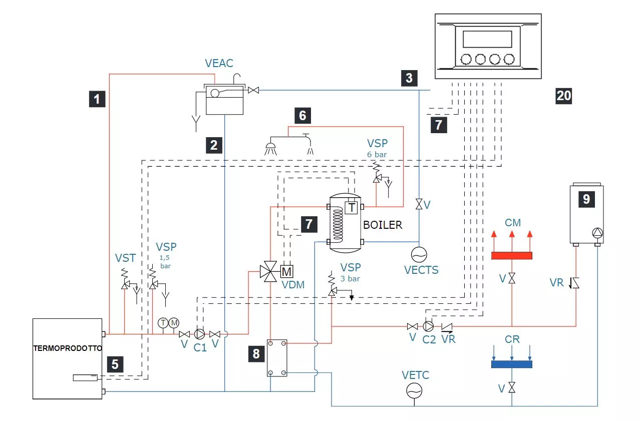
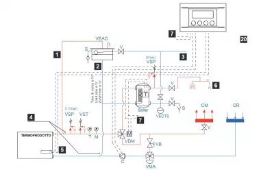
2. ábra:
1 - melegvíz-kimenet, 2 - hidegvíz-bemenet, 3 - keringető szivattyú, 4 - keverő háromutas termosztatikus szelep, 5 - egyutas csappantyú, 6 - hőcserélő védőaljzat, 7 - membrános tágulási tartály, 8 - töltő- és ürítőszerelvények, 9 - lefolyórendszer, 10 - hőelvezetés elleni védelem, 11 - termosztatikus szelep érzékelő, 12 - nyomáscsökkentő szelep, 13 - szűrő.
A kimeneti hővédő szelep (10) egy olyan szelep, amely az érzékelőtől (11) érkező hőmérsékletjelzés alapján kinyílik, amikor a vízrendszer biztonságos üzemi hőmérséklete túllépésre kerül. A vízrendszerből a hőcserélőn keresztül áramló víz lehűti a vízrendszert, csökkentve a központi fűtési víz hőmérsékletét, és ezt követően a csatornába kerül.
A vízellátó rendszer megfelelő működésének biztosítása érdekében teljesíteni kell azt a feltételt, hogy a visszatérő víz hőmérséklete ne legyen 50 °C-nál alacsonyabb. Ennek oka a gőz kondenzációja a kandallóbetét hideg falain (úgynevezett izzadás), ami a fűtési rendszer élettartamának és hatékonyságának csökkenéséhez vezet. Ez a jelenség különböző módszerekkel elkerülhető, például a vízellátó rendszerben a víz hőmérsékletének magasabbra állításával és a fűtött helyiségek hőmérsékletének termosztatikus szelepek segítségével történő beállításával vagy keverőrendszerek alkalmazásával. A visszatérő víz harmatpont alá csökkenő hőmérséklete elleni hővédelmi funkciót egy háromutas keverő termosztatikus szelep (4) segítségével valósítják meg, amely a beépített hőmérséklet-érzékelő mért értéke alapján nyitja meg a megfelelő melegvízszelepet, hogy azt a hideg vízzel keverje - a 11. és 12. ábrán látható példák esetében.
Zárt rendszerben egy biztonsági szelepet (12) kell felszerelni. Feladata, hogy megvédje a vízrendszert és a fogyasztót a megengedett legnagyobb üzemi nyomás túllépésétől. A szelepet 2,0 barra kell beállítani, és meg kell akadályozni, hogy a maximális üzemi nyomást legfeljebb 10 %-kal túllépje. A szelepet a hőforráshoz a lehető legközelebb kell beszerelni: közvetlenül egy szabad bekötőaljzatba vagy a vizet a berendezésbe bevezető csőre szerelhető, könnyen hozzáférhető helyre. A megengedett nyomás túllépése esetén a nyomáscsökkentő szelep a kimeneti csövön keresztül elvezeti a felesleges vizet és gőzt, így csökkentve a rendszerben lévő nyomást. Ezért gondoskodnia kell arról, hogy a víz és a gőz biztonságosan távozzon a túlnyomásos szelepből (pl. a lefolyóba).
Biztonsági előírások a melegvízcserélős fogyasztók bekötéséhez
A hőcserélő csatlakoztatásakor be kell tartani néhány biztonsági előírást. A víz a melegvízcserélőben nem lehet túl hideg, különben a füstgázok kicsapódnak (kondenzálódnak) a melegvízcserélő hideg falain, és kátrányos bevonatot képeznek rajta. Ez a bevonat nem csak hogy leülepszik a kéményben, és tönkreteheti azt, hanem szigetelőréteget is képez a melegvízcserélőn; ezek nagyon agresszív vegyületek, és viszonylag rövid idő után a melegvízcserélő rozsdásodását okozzák. Így a túl hideg víz elkerülése érdekében használhatunk háromjáratú keverőszelepet.
A víz a melegvízcserélőben nem lehet túl forró sem, különben forrni kezd. Ez a melegvízcserélőben a nyomás hirtelen megnövekedéséhez vezetne, és a melegvízcserélő vagy a fűtőkör egyéb részeinek károsodását kockáztatná. Ezért a víz hőmérséklete a melegvízcserélőben nem haladhatja meg a 100 °C-ot. Ez az állapot többféle okból is bekövetkezhet, de leggyakrabban áramkimaradáskor, amikor a szivattyú nem forog, a víz a melegvízcserélőben nem mozog és forr. A tűzhelyet többféleképpen lehet biztosítani a túlmelegedés ellen, például elegendő a már beépített biztonsági szelep. A keringetőszivattyú meghajtásához tartalék áramforrást is lehet szerezni. Manapság már sok kályha és kandallóbetét fel van szerelve visszahűtő szelep. A visszahűtő szelep a vízellátáshoz csatlakozik, és túlmelegedés esetén biztosítja a melegvízcserélőutóhűtését.
Ha a fogyasztó a radiátorba van bekötve, akkor mindenképpen szükségünk van egy keringető szivattyúra és egy tartalék tápegységre. A tartalék tápegység túlfeszültség elleni védelmet és több órányi áramellátást biztosít áramkimaradás esetén.
A bekötés másik módja a tárolótartály használata, amely a meleg vizet tárolja későbbi felhasználásra. Ezt a bekötési módszert elsősorban padlófűtés esetén alkalmazzák. Használatának lényege, hogy naponta egyszer feltöltjük a tárolótartályt fával, a nap többi részében pedig a ház a meleg fűtővizet a tárolóból veszi, amivel jelentős megtakarítást nyerhetünk a gáz- és áramfogyasztásban. A második ok a tárolótartály használatára az, hogy a modern, új építésű házak hőigénye olyan alacsony, hogy bármilyen kályha rövid időn belül túlmelegítheti őket. Ha a felesleges energiát a tárolótartályban tárolják, akkor nincs túlmelegedési veszély.
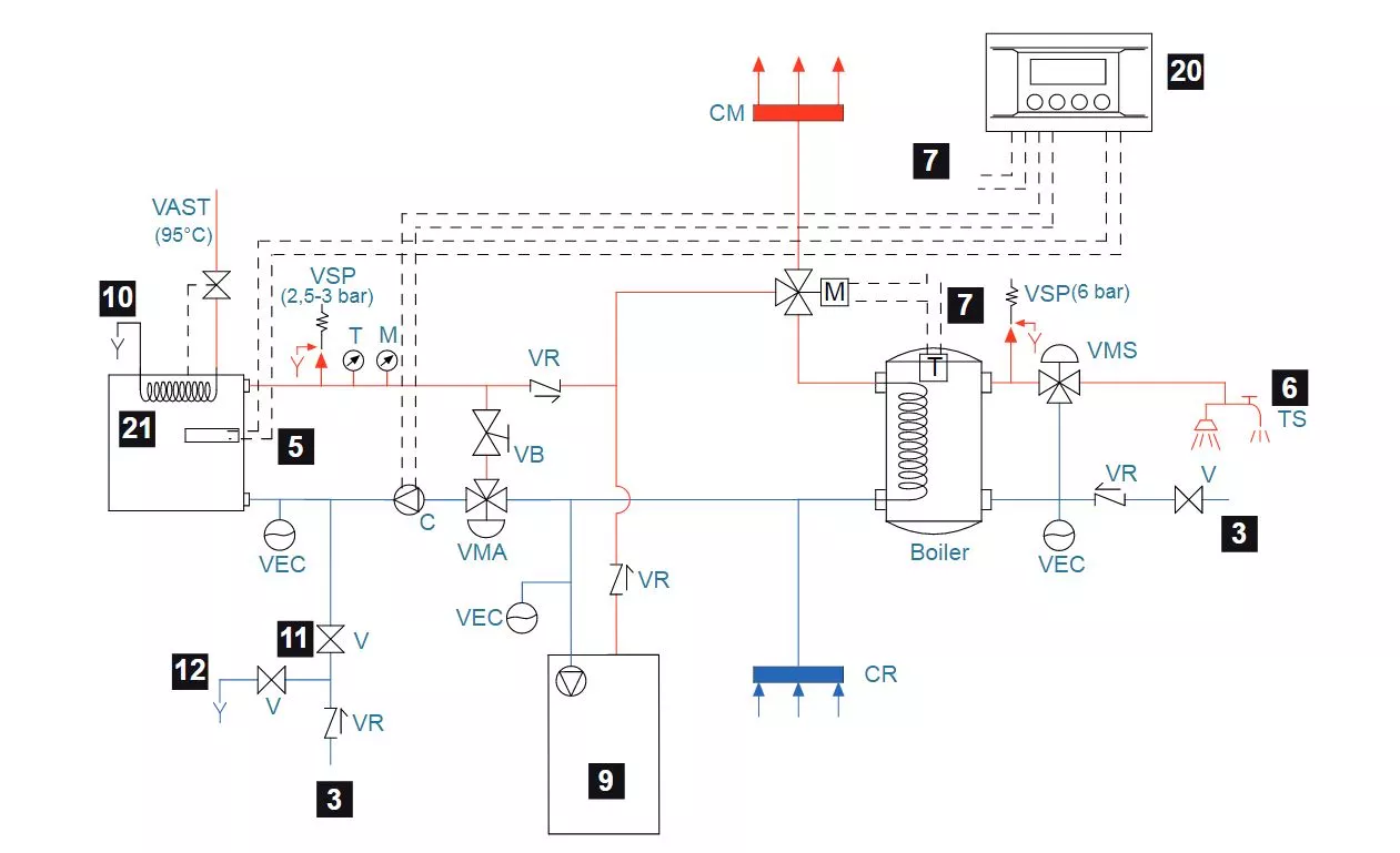
Magyarázat:
|
C – keringető szivattyú |
1 – ø 1" biztonsági cső |
|
CM – tápvezeték |
2 –ø ¾ bemeneti cső |
|
CR – visszacsapó cső |
3 – hidegvíz bemenet |
|
F – áramlásérzékelő |
4 – venturi-cső |
|
M – manométer |
5 – vezérlőszelep |
|
P – keringetőszivattyú |
6 – víz |
|
P1 – keringetőszivattyú 1 |
7 - tápfeszültség 230 Volt - 50 Hz |
|
P2 - keringetőszivattyú 2 |
8 – 30 lemezes melegvízcserélő |
|
T – hőmérő |
9 – beszerelt gázkazán |
|
V – golyósszelep |
10 – hőelvezetés |
|
VB – kiegyenlitő szelep |
11 – a rendszer betöltése |
|
VDM – terelőszelep |
12 – vízelvezető rendszer |
|
VEA – nyitott tágulási tartály |
20 – elektronikus vezérlőegység (opcionális) |
|
VEAC – nyitott tágulási tartály központi fűtéshez |
21 – DSA integrációs rendszer |
|
VEC – zárt tágulási tartály |
VSP – biztonsági szelep |
|
VECTS – egészségügyi zárt tágulási tartály |
VST – légtelenitő szelep |
|
VMS – egészségügyi keverőszelep |
VAST – automata biztonsági szelep |
|
VR – visszacsapó szelep |
VMA – kondenziógátló keverőszelep |
| EGYÉNI ÁR |
